Description
![]()
Advanced Analyses
The advanced features in NavCad allow you to go beyond speed prediction. Quickly analyze a project for bollard towpull or determine time-to-speed using an acceleration analysis. Use a variety of multiple drive options, including IC engines and electric motors. Employ existing assets such as model tests, sea trials, or CFD calculations to correlate and align predictions – bringing you the highest fidelity with the least cost. Use supplemental analyses to check hydroacoustics, sinkage and trim, drag reduction, dynamic planing stability, and more.
Unsurpassed in hydrodynamic design and analysis of ships
NavCad is the premier hydrodynamic and propulsion system simulation tool, providing powerful systems engineering calculations for the performance of marine vehicles. NavCad is built on a physics-based performance equilibrium of the Vessel-Propulsor-Drive system model, and is known for its reliable and confident prediction.
NavCad contains an extensive library of prediction methods for hulls, propulsors, and all necessary pieces, making it the most efficient and comprehensive platform for analysis from early-stage design through post-delivery trial evaluation. Used for any type of monohull or catamaran vehicle from large displacement vessels to fast planing craft to submersibles, it supports a variety of multiple drive options, including IC engines and electric motors.
Whether the focus is vessel, propulsor, drive – or the system – NavCad remains the gold-standard of performance prediction for more than 30 years.
Used by/Industries
- Naval architects and designers
- Hydrodynamicists and researchers
- Propulsion equipment companies
- Propeller manufacturers
- Vehicle product developers
- Navies, coast guards, and educational institutions
Miscellaneous
- Added “km/h” speed unit
- Improved propeller sizing solution when no Drive data is present
- Additional cavitation metrics to scripting output [Premium Edition]
Display of Propulsor Thrust and Lift (for Improved CFD)
While shaft line thrust force is common in planing hull predictions (i.e., the “general case” Savitsky model), NavCad also includes the effect of a propulsor’s lift force in the sum of forces and moments solution. However, propulsor lift force is characteristically omitted from CFD planing hull resistance prediction, and shaft line thrust can be missing from simple planing hull CFD predictions. NavCad now displays the propulsor lift (LPROP) and shaft line thrust (TPROP) forces in the resistance results, which can be used as applied body forces to improve the fidelity of CFD planing hull resistance predictions.

New Seakeeping Index Quick-calc report
To improve a designer’s sense of their vessel’s seakeeping characteristics, NavCad provides basic estimations of seakeeping “quality” through the calculation of a Seakeeping Index. Four different ship type methods are presented, all of which are based on the Bales approach. The indices provide a quick, non-dimensional assessment of a ship’s seakeeping qualities.
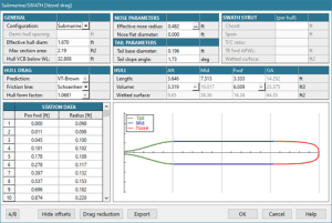
Updated Submarine/SWATH tool
Several updates have been developed for the Submarine/SWATH tool, particularly for smaller UV designers. Resistance scaling for smaller vehicles has been improved and a new method (being identified as the “VT-Brown” method) added. Most visible is the new generation and representation of body offsets from entered parametric segment lengths and volumes (CP). While predictions are based on the entered parametric data, the offsets provide a visualization to support data entry and can be exported for vehicle development. A parametric drag reduction utility can help identify the influence of key shape trends on the resistance of axisymmetric submersible vehicles.

Release Build 2024.1
Miscellaneous
- Added to SpeedPerformance scripting [Premium Edition]
Release Build 2024.0
Miscellaneous updates
- New investigations allowed us to develop an updated prediction model for the partial load efficiency of PMAC (permanent magnet AC) motors.
- To support our continuing development of oblique flow corrected KTKQ prediction, a new scripting function is available (File.ExportFullKTKQ). [Premium Edition]
Interface Theme Update
Modifying the interface for one of our products is a careful balance between maintaining the efficiency of a known process and accommodating contemporary interface standards. Our priorities are to maintain the known workflow, but to also find aesthetic and process improvements that users expect with current versions of Windows. The interface updates for 2024 reflect the first step of a transition to a more contemporary look-and-feel while still being anchored to the process that users know. You can select this theme option by clicking Tools | Options… from the menu, then selecting System from the Theme dropdown list.












